美しいデザインや正しい省エネ技術は 恒久性能の一部です 【旧レディオクラブ】
[16]  [17]  [18]  [19]  [20]  [21]  [22]  [23]  [24]  [25

階段下地を組む前に断熱工事は終了させ、防湿シートは丁寧に留めておく事。

   

 

ちなみに画像はスキップフロア(スプリットフロア)

 

丁寧な仕事は見た目もキレイ。

 

大切な事です。






アウトセットのハンガードア

 

 

 

開けると向こうにも引戸(笑

 

 

 

さてこの引戸「アウトセット」と言って、引き込み部分の壁には触らず、壁の外側で可動する建具になります。

何故そんな選択かと言えば・・こちら寝室の建具(赤丸部分)でして。

   

 

隣がトイレ等の水回りになっています。

移動は楽なのですが、多少なりとも音の問題がありますよね。

そんな事もあって、弊社では隣室の用途に限らず、水回りの内壁には全て高密度の断熱材を施工します。

   

 

↑ピンク部分の壁に充填します。

吸音効果を狙っていますが、その部分の壁を建具の引き込みで薄壁にすると、その分の吸音が無くなりますので、あえての外吊り建具の採用です。

 

音の事を考えると、寝室には引戸より開き戸(ドア)の方が有利なのですが、その辺は天秤に掛けて考える事が必要ですね。この辺も量産型には無い心遣いかも知れませんw





グイーンとした下地

   

 

これが こうなって

 

 

 

こうなる

   

 

いゃ照明くらい点けろよと(汗

 

ちなみに グイーンとした反対側もグイーンと。


   

 

チェッカーガラスの向こうはリビング。

歩きやすそうでしょ ←そうなのか(笑





ウッドデッキの屋根下には、暗渠パイプ通して砕石(砂利)で仕上げておくと水捌け良くって、雨水の跳ね返りなんかも防げますよ。

 

 

 

断面はこんな感じ。

  

 

水捌け悪い感じの土地なんかは、家の周りグルっと回すと、家の周りいつもカラっと^^

http://eyescode.bijual.com/Date/20160902/
【以前のブログ:暗渠工事】

 

アディ押忍





クラウディブルーをモチーフにしつつ 爽やかトイレ



ビフォーはこちら




あったか快適リフォーム^^



深い軒は、夏には日射遮蔽・冬には日射取得に貢献します。

   

 

~と言う、太陽熱をパッシブに取り込む様な技術的な面と共に、雨の日に外眺めるとか情緒的な要素も生まれますね。

   

 

真冬の良く晴れた日、デッキに椅子を出して真っ白な雪を眺めながらコーヒー呑むなんて、凄く素敵な時間かと^^




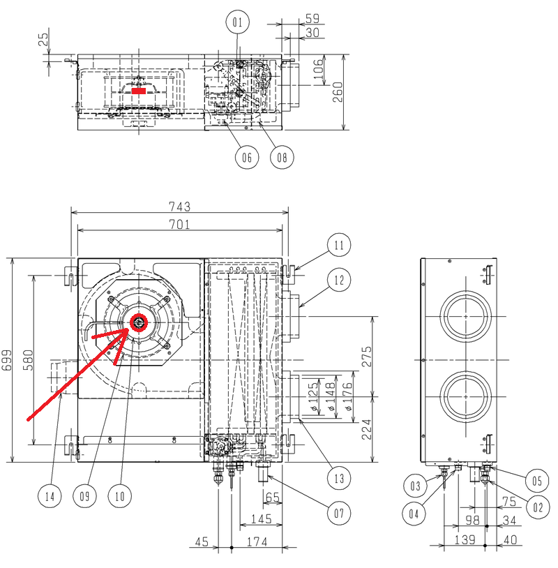
今回のクランケは某社エアリゾート604HCR

 

こんな感じの全館換気空調システムで、黄色が熱交換着で外気を導入し、赤色に塗った室内機で冷暖房を行ってダクトで各部屋に供給するシステム(クリック可)

 

 

 

この赤い部分から異音がする・・との事で嫌な予感バリバリ湧いてると、やはりファンが製造中止でメーカーは対応しないとの事(汗

 

で、どーも、分解するとファンモーターの軸ってより、軸を固定しているベアリングが摩耗している様子。

メーカーさんに見せて頂いた展開図によると・・

   

 

こんなんで分かるかい!!

 

3面図面で言う所の↓ファンの中にある赤い部分の辺・・やっぱ分からんなw

   

 

気を取り直して とりあえず分解・・モーターのカバーを外すと

 

 

 

出てくる この矢印部分がベアリング。

   

 

刻印を調べた所 奇跡的に同部品が手に入る!と(喜

  

で、早速発注・・お約束で違うの届く(爆 左が現物 右が間違ってきた製品
・・そんな体当たりのギャグはいらんつーに(-_-;


   

 

その後、正しい部品が届いたので、知り合いの自動車屋さんに持ち込んで交換。

   

 

こんなん簡単に外れないですから。

さすが自動車板金屋さん、治具まで作ってくれて程なく部品交換完了。

 

そしてドキドキしながら、現場で組み治し。

 

画像無し・・とは言え 本体に組み終わって電源オン!

 

・・あぁ静かだぁ(号泣

 

そんなこんなでメーカーに見放された全館空調さん、延命が出来ました。

 

何度も言うけどメーカーさんよ、安いもんぢゃ無いんだから、もう少し親身に動いてくれても良いと思いますぜ。

 

とりあえず めでたしめでたし^^



追伸:

製品の改造をお勧めするブログではありません。ご検討は自己責任でお願いします。


お風呂の断熱リフォームにあたり

   

 

仮設のバスルームを搬入

 

 

 

お部屋から出入りしやすい様に借り床を作りまして

   

 

洗濯機も置る様に配管して ベニヤで仮囲い

   

 

ついでにビニールシートで微妙に防寒対策

 

 

 

ちなみにバスルーム内部はと言うと・・一応脱衣室がありまして

   

 

バスタブ(湯壺?)付きのバスブース

   

 

速攻あったかいバスルーム作りますので 少々のご不便お許しください,,orz



某クリニックさま

最近ではこんな飛沫防止フィルムも一般化してきましたね。

   

 

でもピラピラするし空調は届かないしで・・・

   

 

そこで飛沫防止板作成。イキナリアフターw

   

 

これ簡単に見えますが、カウンターのRと天井のRは違うわ、Rも微妙に変形してるわ・・しかもカウンターだけの固定で・・と、採寸作成採寸作成の繰り返しで結構大変だったんすよ(笑

   

 

でも頑張った甲斐合ってキレイに収まりました。

   

 

板の下開けているのは診察券とか診察料の遣り取り用。

 

これで換気も空調も 受付内まで共有できると思います。

 

「ウィズコロナ」安全に快適に^^  こんにちは便利屋アイズですw












アディ押忍



カレンダー
11 2025/12 01
S M T W T F S
4 6
17 18 19 20
21 22 23 24 25 26 27
28 29 30 31
プロフィール
HN:
Eye's@オカダ
性別:
非公開
自己紹介:
アイコン、くっ てしてますがw

【 ハウジングアイズ 】では、飛騨高山にてパッシブな高断熱思想を用いて、恒久的な省エネ快適住宅を御提案しております。
ふぉろーみぃ
ブログ内検索
以前の環境共生計画
2009年8月~2020年4月までの一言
その前の環境共生計画
2007年~2009年の一言