美しいデザインや正しい省エネ技術は 恒久性能の一部です 【旧レディオクラブ】
[153]  [152]  [151]  [150]  [149]  [148]  [147]  [146]  [145]  [144]  [143

今回のクランケは某社エアリゾート604HCR

 

こんな感じの全館換気空調システムで、黄色が熱交換着で外気を導入し、赤色に塗った室内機で冷暖房を行ってダクトで各部屋に供給するシステム(クリック可)

 

 

 

この赤い部分から異音がする・・との事で嫌な予感バリバリ湧いてると、やはりファンが製造中止でメーカーは対応しないとの事(汗

 

で、どーも、分解するとファンモーターの軸ってより、軸を固定しているベアリングが摩耗している様子。

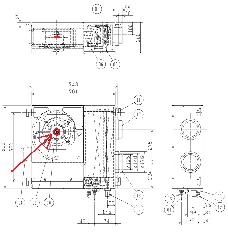
メーカーさんに見せて頂いた展開図によると・・

   

 

こんなんで分かるかい!!

 

3面図面で言う所の↓ファンの中にある赤い部分の辺・・やっぱ分からんなw

   

 

気を取り直して とりあえず分解・・モーターのカバーを外すと

 

 

 

出てくる この矢印部分がベアリング。

   

 

刻印を調べた所 奇跡的に同部品が手に入る!と(喜

  

で、早速発注・・お約束で違うの届く(爆 左が現物 右が間違ってきた製品
・・そんな体当たりのギャグはいらんつーに(-_-;


   

 

その後、正しい部品が届いたので、知り合いの自動車屋さんに持ち込んで交換。

   

 

こんなん簡単に外れないですから。

さすが自動車板金屋さん、治具まで作ってくれて程なく部品交換完了。

 

そしてドキドキしながら、現場で組み治し。

 

画像無し・・とは言え 本体に組み終わって電源オン!

 

・・あぁ静かだぁ(号泣

 

そんなこんなでメーカーに見放された全館空調さん、延命が出来ました。

 

何度も言うけどメーカーさんよ、安いもんぢゃ無いんだから、もう少し親身に動いてくれても良いと思いますぜ。

 

とりあえず めでたしめでたし^^



追伸:

製品の改造をお勧めするブログではありません。ご検討は自己責任でお願いします。


カレンダー
04 2026/05 06
S M T W T F S
1
3 8 9
10 11 12 13 14 15 16
17 18 19 20 21 22 23
24 25 26 27 28 29 30
31
プロフィール
HN:
Eye's@オカダ
性別:
非公開
自己紹介:
アイコン、くっ てしてますがw

【 ハウジングアイズ 】では、飛騨高山にてパッシブな高断熱思想を用いて、恒久的な省エネ快適住宅を御提案しております。
ふぉろーみぃ
ブログ内検索
以前の環境共生計画
2009年8月~2020年4月までの一言
その前の環境共生計画
2007年~2009年の一言